
发卖:17346546283
发卖:010-68465926
一技之长:18611287598
接转传真:010-68465926
Q Q:3226344213
邮件:info@studywolf.cn
地区:重庆市海淀区大慧寺16号北区20号楼上105室

GOLDS-10AL型激光铝水液位计
时候:2025-02-27 20:44

一、概述:
GOLDS-10AL型激光束铝水液位计都可以于对几大类工作内容下的铝水液面极高变慢勘界。● 开关量(liang)、摹拟🎶量(liang)电压或电流三种旌旗灯(deng)号输入体(ti)例
● 丈量精度<±2mm,分(fen)辩率1mm
● 利用白色可见激光束,丈量规模可达10米
● 四(si)位数(shu)(shu)码显(xi🦩an)现,按键设(she)置参(can)数(shu)(shu),易(yi)于操纵(🌊zong)
● 产业(ye)级(ji)外壳,规范快插接口,可通紧缩氛围冷却(que)
二、手艺数据:
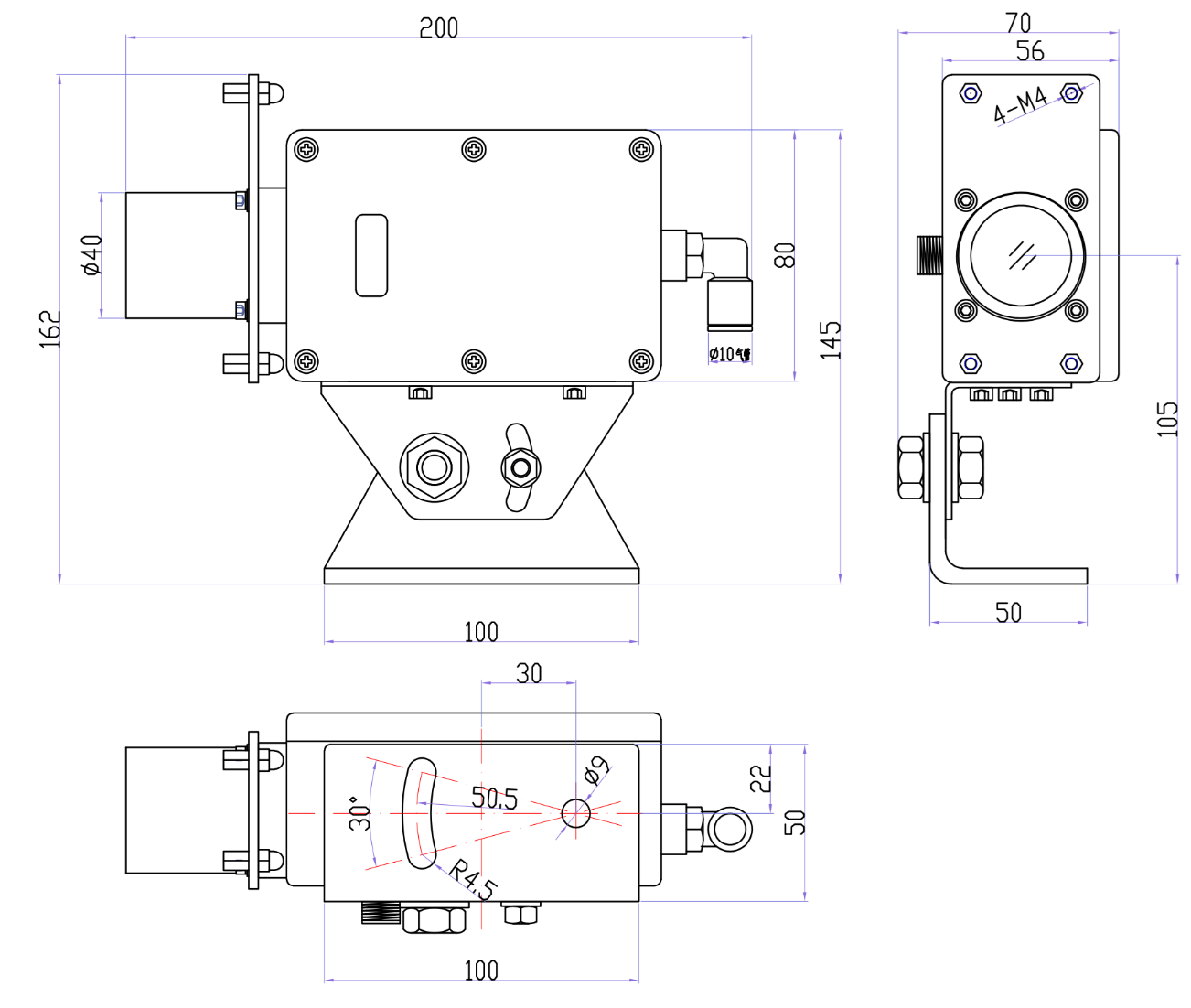
三、形状尺寸:
四、可选附件:



